Lattice phase equaliser

Lattice filter topology

A lattice phase equaliser or lattice filter is an example of an all-pass filter. That is, the attenuation of the filter is constant at all frequencies but the relative phase between input and output varies with frequency. The lattice filter topology has the particular property of being a constant-resistance network and for this reason is often used in combination with other constant-resistance filters such as bridge-T equalisers. The topology of a lattice filter, also called an X-section, is identical to bridge topology. The lattice phase equaliser was invented by Otto Zobel[1][2] using a filter topology proposed by George Campbell.[3]

Characteristics

The characteristic impedance of this structure is given by

and the transfer function is given by

.

Applications

Main Application Areas

Telecommunications Systems

Lattice phase equalizers play a critical role in modern telecommunications, particularly in high-bandwidth and high-speed communication systems where phase distortions can degrade signal quality and increase error rates. Below are detailed applications in this domain:

Digital Modulation and Demodulation: In digital communication systems such as Quadrature Phase Shift Keying (QPSK), 16-Quadrature Amplitude Modulation (16-QAM), and higher-order modulation schemes like 64-QAM, phase distortions arise from multipath effects, hardware nonlinearities, and filtering processes. These distortions can misalign the constellation diagram, leading to demodulation errors and increased bit error rates (BER). Lattice phase equalizers compensate for these distortions by adjusting the phase response to align the received signal with the expected constellation points. For instance, in 5G millimeter-wave communications, multipath propagation causes significant phase shifts due to reflections and scattering. Lattice equalizers dynamically correct these shifts, ensuring accurate signal recovery. In practical deployments, such as 5G base stations, they enable reliable high-speed data transmission in urban environments with complex signal paths.

Phase-Locked Loops (PLLs): PLLs are essential for generating stable clock signals in high-frequency communication systems, such as those used in 5G, satellite communications, and radar systems. Lattice phase equalizers enhance PLL performance by reducing phase noise and improving synchronization accuracy. In sub-sampling PLLs, which are increasingly used in 5G and 6G systems for their low power consumption, lattice equalizers mitigate phase errors introduced by non-ideal sampling processes. For example, in a 5G base station operating at 28 GHz, lattice equalizers help maintain precise phase alignment, reducing jitter in the clock signal and improving data throughput. This application is critical in time-sensitive networks, such as those supporting autonomous vehicles or industrial IoT.

Channel Equalization: High-speed data transmission standards, such as PCIe 5.0, USB 4.0, and 100G Ethernet, face challenges from frequency-selective fading in communication channels, which introduces phase distortions. Lattice phase equalizers dynamically adjust the phase response to compensate for these effects, reducing inter-symbol interference (ISI) and lowering BER. Their adaptive nature, often implemented using algorithms like Least Mean Squares (LMS) or Recursive Least Squares (RLS), allows real-time adjustment based on channel conditions. For instance, in a 400Gbps optical communication system, lattice equalizers correct phase distortions caused by chromatic dispersion and polarization mode dispersion, ensuring reliable data transfer over long distances. This is particularly important in data centers, where high-speed interconnects demand robust signal integrity.

Software-Defined Radio (SDR): SDR systems rely on flexible, software-based signal processing to support multiple frequency bands and protocols. Lattice phase equalizers correct phase errors in the digital front-end, ensuring accurate signal synchronization across diverse frequency bands. In cognitive radio systems, which dynamically select frequency bands based on spectrum availability, lattice equalizers adapt to varying channel conditions, maintaining signal integrity. For example, in military SDR applications, lattice equalizers enable seamless switching between frequency bands, ensuring robust communication in contested environments. Their low computational overhead makes them suitable for resource-constrained SDR platforms.

Full-Duplex Communications: Full-duplex systems, which enable simultaneous transmission and reception on the same frequency band, face challenges from self-interference. Lattice phase equalizers mitigate phase distortions in self-interference cancellation circuits, improving isolation between transmitted and received signals. In 5G and future 6G systems, full-duplex technology is critical for doubling spectral efficiency. Lattice equalizers, integrated into baseband processing units, dynamically adjust phase responses to suppress interference, enabling high-throughput communication in dense networks.

Audio Processing

Lattice phase equalizers are extensively used in audio processing to enhance sound quality, reduce distortions, and create immersive audio experiences. Their applications span consumer electronics, professional audio systems, and emerging technologies like spatial audio. Below are detailed use cases:

Loudspeaker Systems: In high-fidelity (Hi-Fi) audio systems, phase mismatches between loudspeaker drivers (e.g., woofer, midrange, tweeter) can cause sound distortions, reducing clarity and spatial accuracy. Lattice phase equalizers correct these mismatches by aligning the phase responses of different drivers, ensuring coherent sound reproduction. For example, in a 5.1 surround sound system, lattice equalizers synchronize the phase of each speaker, creating a seamless soundstage. This is particularly important in home theater systems, where precise phase alignment enhances the listener’s immersion. In professional audio setups, such as concert sound systems, lattice equalizers ensure consistent audio quality across large venues.

Digital Audio Processing: Digital audio interfaces, such as S/PDIF (Sony/Philips Digital Interface) and AES/EBU (Audio Engineering Society/European Broadcasting Union), rely on precise clock recovery to prevent timing errors. Lattice phase equalizers reduce clock jitter by correcting phase errors in the recovered clock signal, ensuring accurate audio data transmission. In professional recording studios, where high-resolution audio (e.g., 24-bit/192kHz) is standard, lattice equalizers maintain synchronization between multiple audio streams, preventing artifacts like clicks or pops. For instance, in a digital mixing console, lattice equalizers ensure low-latency audio processing, critical for live performances.

Echo and Noise Cancellation: In voice communication systems, such as video conferencing platforms or voice assistants, lattice phase equalizers are integral to echo cancellation and noise suppression. As part of adaptive filter structures, they dynamically adjust phase responses to eliminate acoustic echo caused by speaker-microphone feedback. For example, in a Zoom conference call, lattice equalizers suppress echo in real-time, improving speech clarity in noisy environments. Their adaptive algorithms, such as LMS, allow them to adjust to changing acoustic conditions, such as room reverberation or background noise. In voice assistants like Amazon Alexa, lattice equalizers enhance keyword detection by correcting phase distortions in microphone signals, improving recognition accuracy.

Spatial Audio: Spatial audio technologies, used in virtual reality (VR), augmented reality (AR), and gaming, rely on precise phase control to simulate three-dimensional soundscapes. Lattice phase equalizers implement Head-Related Transfer Functions (HRTFs), which model how sound interacts with the human head and ears. By adjusting phase responses, they create realistic spatial effects, such as sound appearing to come from specific directions. For example, in Sony’s PlayStation VR, lattice equalizers optimize HRTF processing, enhancing the immersive experience in games like Horizon Zero Dawn. In AR applications, such as Microsoft’s HoloLens, lattice equalizers ensure accurate spatial audio rendering, aligning sound with virtual objects.

Audio Compression: In audio compression formats like Advanced Audio Coding (AAC) and Opus, lattice phase equalizers correct phase errors introduced during encoding and decoding, preserving sound quality. For instance, in streaming services like Spotify, lattice equalizers ensure high-fidelity audio reproduction at low bitrates, minimizing perceptual distortions. Their ability to maintain phase accuracy is critical in lossless audio formats, such as FLAC, used in professional audio applications.

Control Systems

Lattice phase equalizers enhance the performance of control systems by compensating for phase delays, improving stability, and optimizing response times. Their applications span robotics, aerospace, industrial automation, and power systems. Below are detailed use cases:

Motion Control: In servo systems and robotic control, phase delays between sensors (e.g., encoders) and actuators (e.g., motors) can degrade system performance, leading to oscillations or reduced precision. Lattice phase equalizers compensate for these delays, ensuring accurate control. For example, in a CNC (Computer Numerical Control) machine, lattice equalizers align the phase of motor control signals, enabling precise machining of complex parts. In industrial robots, such as those used in automotive assembly lines, lattice equalizers improve trajectory tracking, reducing errors in tasks like welding or painting.

Vibration Suppression: Mechanical systems, such as wind turbines, automotive suspensions, and high-speed trains, experience vibrations that can cause fatigue or discomfort. Lattice phase equalizers, designed as all-pass filters, adjust phase responses to cancel specific vibration frequencies. For instance, in a wind turbine, lattice equalizers suppress blade vibrations caused by wind gusts, extending the turbine’s lifespan. In automotive active suspension systems, they reduce vibrations transmitted to passengers, improving ride comfort. This application is critical in high-speed rail systems, where lattice equalizers minimize track-induced vibrations, ensuring passenger safety and comfort.

Flight Control Systems: In unmanned aerial vehicles (UAVs) and avionics, lattice phase equalizers correct phase errors in sensor data, such as those from gyroscopes or accelerometers, ensuring stable flight control. For example, in a commercial drone, lattice equalizers enhance the accuracy of attitude control, enabling precise navigation in complex environments like urban areas. In military aircraft, they improve the performance of fly-by-wire systems, ensuring robust control under high-speed or turbulent conditions.

Power Systems: In smart grids and distributed energy systems, lattice phase equalizers stabilize power signals by correcting phase mismatches. For instance, in a photovoltaic inverter, they align the phase of the generated AC signal with the grid, improving power transfer efficiency. In microgrids, lattice equalizers ensure synchronization between multiple power sources, preventing instability. This is particularly important in renewable energy systems, where variable power generation requires precise phase control.

Image Processing

Lattice phase equalizers are increasingly used in image processing to enhance image quality, ensure synchronization, and support real-time applications. Below are detailed use cases:

Video Compression: In video coding standards like H.264, H.265 (HEVC), and AV1, lattice phase equalizers correct timing errors between video frames, ensuring smooth playback. For example, in 4K/8K video streaming, they reduce latency by aligning frame phases, critical for real-time applications like live sports broadcasting. In video conferencing systems, such as WebRTC-based platforms, lattice equalizers maintain synchronization between audio and video streams, preventing lip-sync issues.

Medical Imaging: In medical imaging modalities like ultrasound and magnetic resonance imaging (MRI), lattice phase equalizers correct phase distortions in sensor arrays, improving image resolution. In phased-array ultrasound systems, they optimize beamforming by aligning the phase of signals from multiple transducers, enhancing the clarity of diagnostic images. For instance, in fetal ultrasound, lattice equalizers improve the visualization of anatomical details, aiding prenatal diagnosis. In MRI, they correct phase errors in k-space data, reducing artifacts in reconstructed images.

Machine Vision: In autonomous vehicles and industrial inspection, lattice phase equalizers correct timing errors in camera sensors, ensuring accurate real-time image processing. For example, in an autonomous vehicle, they align the phase of radar and camera data, improving object detection accuracy in adverse conditions like rain or fog. In industrial applications, such as semiconductor inspection, lattice equalizers enhance the precision of defect detection by correcting phase distortions in high-speed imaging systems.

Display Technologies: In high-resolution displays like OLED and MicroLED, lattice phase equalizers correct phase errors in pixel drive signals, ensuring accurate color reproduction and synchronization. For instance, in a 4K OLED TV, they reduce motion blur by aligning the phase of pixel refresh signals, improving visual clarity during fast-moving scenes. In augmented reality displays, they ensure precise synchronization between visual and audio cues, enhancing user experience.

Technical Challenges and Implementation Methods

Technical Challenges

Implementing lattice phase equalizers involves several challenges that must be addressed to ensure optimal performance:

Computational Complexity: The recursive nature of lattice filters can introduce computational delays in real-time applications, particularly in high-speed systems like 5G or video processing. Optimizing algorithms to reduce latency while maintaining accuracy is a key challenge. For example, in a 100Gbps optical communication system, the equalizer must process signals within nanoseconds, requiring highly efficient implementations.

Parameter Optimization: Selecting appropriate reflection coefficients is critical for achieving the desired phase response. This process often requires sophisticated simulation tools or adaptive algorithms like LMS or RLS. In dynamic environments, such as wireless channels with fading, real-time parameter adjustment is challenging, as it must balance accuracy and computational cost.

Stability and Numerical Precision: While all-pass filters are inherently stable, digital implementations face issues from finite word length effects, which introduce quantization errors and affect phase accuracy. In high-precision applications, such as medical imaging, maintaining numerical stability is critical to avoid artifacts.

Power Consumption: In resource-constrained devices, such as IoT sensors or wearable devices, lattice phase equalizers must operate with minimal power consumption. Designing low-power implementations without sacrificing performance is a significant challenge, particularly in battery-powered systems.

Scalability: In large-scale systems, such as massive MIMO in 5G, lattice equalizers must scale to handle multiple channels simultaneously. Ensuring scalability while maintaining low latency and power consumption requires advanced hardware and software optimizations.

Implementation Methods

Lattice phase equalizers are implemented in both hardware and software, depending on the application requirements:

Hardware Implementation: In high-performance applications, lattice phase equalizers are implemented on dedicated hardware platforms like DSP chips, FPGAs, or ASICs. For example, Xilinx’s Zynq UltraScale+ FPGAs provide dedicated DSP slices optimized for lattice filter computations, enabling low-latency processing in 5G base stations. ASICs are used in specialized applications, such as medical imaging systems, where high throughput and low power are critical. Hardware implementations leverage parallel processing to handle complex signal processing tasks efficiently.

Software Implementation: Software-based implementations use tools like MATLAB, Python (with SciPy or NumPy), or C/C++ for simulation and deployment. MATLAB’s Filter Design Toolbox is widely used for designing and testing lattice equalizers, offering robust visualization and optimization capabilities. Python’s SciPy library provides open-source alternatives, lowering the barrier to entry for developers. In real-time applications, software implementations are often optimized with just-in-time (JIT) compilation or multithreading to reduce latency.

AI-Assisted Design: Recent advances in machine learning have enabled AI-assisted design of lattice phase equalizers. Deep learning models can predict optimal reflection coefficients based on input signal characteristics, reducing design time. Reinforcement learning algorithms optimize parameters in dynamic environments, such as adaptive channel equalization in wireless networks. For example, in a 5G network, a neural network can adjust lattice equalizer parameters in real-time to adapt to changing channel conditions, improving performance.

Hybrid Implementations: In some applications, hybrid approaches combine hardware and software. For instance, in an SDR platform, a DSP chip handles low-level signal processing, while a software layer running on a general-purpose processor manages adaptive algorithms. This approach balances performance and flexibility, making it suitable for applications like cognitive radio or IoT.

Future Development Trends

The future of lattice phase equalizers is closely tied to emerging technologies, offering new opportunities and challenges:

6G and Terahertz Communications: As communication systems transition to 6G and terahertz frequencies, lattice phase equalizers will play a critical role in managing complex channel environments. Terahertz waves face significant phase distortions due to atmospheric absorption and multipath effects. Lattice equalizers will enable precise phase control, supporting applications like holographic communications and ultra-high-bandwidth networks. For example, in a 6G network operating at 300 GHz, lattice equalizers could reduce phase errors in real-time, enabling reliable data transmission.

AI-Driven Optimization: Machine learning and reinforcement learning will revolutionize lattice equalizer design. AI models can optimize reflection coefficients for specific applications, reducing manual tuning efforts. In dynamic systems, such as vehicular networks, AI-driven lattice equalizers can adapt to rapidly changing conditions, improving robustness. For instance, in an autonomous vehicle network, AI-optimized equalizers could enhance V2X (Vehicle-to-Everything) communication reliability.

Low-Power Applications: The proliferation of IoT and wearable devices demands low-power lattice equalizers. Techniques like approximate computing, low-precision arithmetic, and dynamic voltage scaling will enable efficient implementations. For example, in a smartwatch, a low-power lattice equalizer could process audio signals for voice recognition while extending battery life.

Quantum Communications: In quantum communication systems, lattice phase equalizers could correct phase errors in quantum bits (qubits), improving the reliability of quantum key distribution (QKD). Their ability to maintain precise phase control makes them suitable for quantum networks, which are expected to underpin secure communications in the future.

Neuromorphic Computing: Neuromorphic chips, which mimic the human brain’s signal processing, could integrate lattice equalizers to enhance phase-based computations. This could enable new applications in edge AI, such as real-time sensory processing in robotics or IoT devices.

Cross-Domain Applications: Lattice phase equalizers are likely to find applications in emerging fields like brain-computer interfaces (BCIs), environmental monitoring, and augmented reality. In BCIs, they could correct phase distortions in neural signals, improving the accuracy of brain signal decoding. In environmental monitoring, they could enhance the precision of climate sensors by correcting phase errors in sensor data. In AR, they could improve the synchronization of audio-visual cues, creating seamless immersive experiences.

Design

Parts of this article or section rely on the reader's knowledge of the complex impedance representation of capacitors and inductors and on knowledge of the frequency domain representation of signals.
A prototype lattice filter which passes low frequencies without phase shifting

The essential requirement for a lattice filter is that for it to be constant resistance, the lattice element of the filter must be the dual of the series element with respect to the characteristic impedance. That is,

.

Such a network, when terminated in R0, will have an input resistance of R0 at all frequencies. If the impedance Z is purely reactive such that Z = iX then the phase shift, φ, inserted by the filter is given by

Prototype lattice filter response ranging from 0 radians at low frequencies to −π radians at high frequencies

.

The prototype lattice filter shown here passes low frequencies without modification but phase-shifts high frequencies. That is, it is phase correction for the high end of the band. At low frequencies the phase shift is 0° but as the frequency increases the phase shift approaches 180°. It can be seen qualitatively that this is so by replacing the inductors with open circuits and the capacitors with short circuits, which is what they become at high frequencies. At high frequencies the lattice filter is a cross-over network and will produce 180° phase shift. A 180° phase shift is the same as an inversion in the frequency domain, but is a delay in the time domain. At an angular frequency of ω = 1 rad/s the phase shift is exactly 90° and this is the midpoint of the filter's transfer function.

Low-in-phase section

Lattice filter transformed from the prototype to operate at 10 kHz midpoint and 600 Ω terminations

The prototype section can be scaled and transformed to the desired frequency, impedance and bandform by applying the usual prototype filter transforms. A filter which is in-phase at low frequencies (that is, one that is correcting phase at high frequencies) can be obtained from the prototype with simple scaling factors.

The phase response of a scaled filter is given by

,

where ωm is the midpoint frequency and is given by

.

High-in-phase section

Lattice filter for low-end phase correction
Demonstration that a low-in-phase section in cascade with a crossover is equivalent to a high-in-phase section

A filter that is in-phase at high frequencies (that is, a filter to correct low-end phase) can be obtained by applying the high-pass transformation to the prototype filter. However, it can be seen that due to the lattice topology this is also equivalent to a crossover on the output of the corresponding low-in-phase section. This second method may not only make calculation easier but it is also a useful property where lines are being equalised on a temporary basis, for instance for outside broadcasts. It is desirable to keep the number of different types of adjustable sections to a minimum for temporary work and being able to use the same section for both high end and low end correction is a distinct advantage.

Band equalise section

Lattice filter for phase correction of a limited band

A filter that corrects a limited band of frequencies (that is, a filter that is in-phase everywhere except in the band being corrected) can be obtained by applying the band-stop transformation to the prototype filter. This results in resonant elements appearing in the filter's network.

An alternative, and possibly more accurate, view of this filter's response is to describe it as a phase change that varies from 0° to 360° with increasing frequency. At 360° phase shift, of course, the input and output are now back in phase with each other.

Resistance compensation

A lattice filter with compensation for the resistance of its inductors and its equivalent circuit

With ideal components there is no need to use resistors in the design of lattice filters. However, practical considerations of properties of real components leads to resistors being incorporated. Sections designed to equalise low audio frequencies will have larger inductors with a high number of turns. This results in significant resistance being in the inductive branches of the filter, which in turn causes attenuation at low frequencies.

In the example diagram, the resistors placed in series with the capacitors, R1, are made equal to the unwanted stray resistance present in the inductors. This ensures that the attenuation at high frequency is the same as the attenuation at low frequency and brings the filter back to a flat response. The purpose of the shunt resistors, R2, is to bring the image impedance of the filter back to the original design R0. The resulting filter is the equivalent of a box attenuator formed from the R1's and R2's connected in cascade with an ideal lattice filter as shown in the diagram.

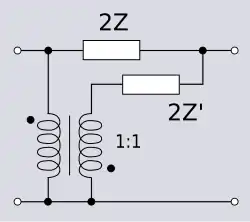
Unbalanced topology

The lattice phase equaliser cannot be directly transformed into T-section topology without introducing active components. However, a T-section is possible if ideal transformers are introduced. Transformer action can be conveniently achieved in the low-in-phase T-section by winding both inductors on a common core. The response of this section is identical to the original lattice, albeit with a non-constant-resistance input. This circuit was first used by George Washington Pierce, who needed a delay line as part of the improved sonar he developed between the world wars. Pierce used a cascade of these sections to provide the required delay. The circuit can be considered a low-pass m-derived filter with m > 1, which puts the transmission zero on the axis of the complex frequency plane.[3] Other unbalanced transformations utilising ideal transformers are possible; one such is shown on the right.[4]

See also

References

  1. ^ Zobel, O J, Phase-shifting network, US patent 1 792 523, filed 12 March 1927, issued 17 Feb 1931.
  2. ^ Zobel, O J, Distortion Compensator, US patent 1 701 552, filed 26 June 1924, issued 12 Feb 1929.
  3. ^ a b Darlington, S, "A history of network synthesis and filter theory for circuits composed of resistors, inductors, and capacitors", IEEE Trans. Circuits and Systems, vol 31, pp. 3–13, 1984.
  4. ^ Vizmuller, P, RF Design Guide: Systems, Circuits, and Equations, pp. 82–84, Artech House, 1995 ISBN 0-89006-754-6.