Linear Algebra and the C Language/a0c1


Analysis of an electrical circuit with the QR Decomposition

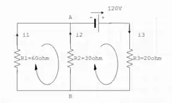
I use 'QR_mR(); to study a Network.

First example:
* Presentation
* Resolution


Second example:
* Presentation
* Resolution


Third example:
* Presentation
* Resolution