Electronics Handbook/Devices/Rectifier

Rectifier

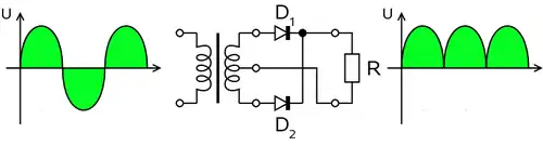
Rectifier is a Device that converts AC Electricity to DC Electricity

Configurations

Transformer with centered tap

Transformer without centered tap

Reference